Cooling Plate Holder

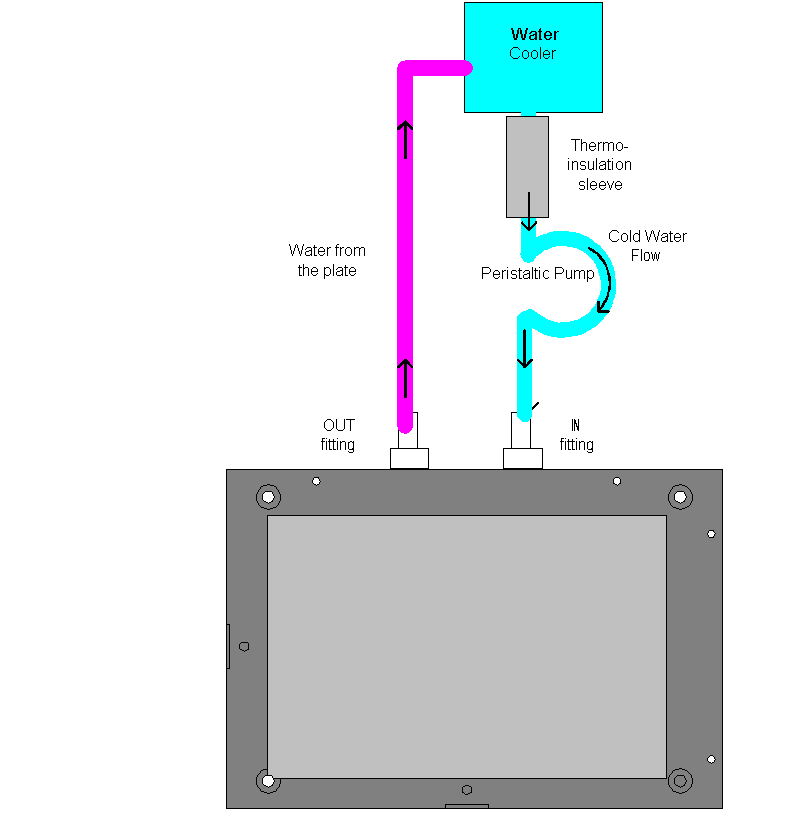
Cooling plate holder for LabNEXT microarrayers Cooling plate holder is installed using the same mounting holes and the harware as the regular holder. After installation a slight adjustment of the Plate Holder Origin coordinates may be required. See "Work Board Editor Dialog" section in the Configure System Utility manual Cooling plate holder is fed by a single-head peristaltic pump. LabNEXT P/N 140, or any 3rd party vendor pump with constant flow around 10 mL/min (or higher) will be sufficient. Cooling liquid is supplied from any reservoir. This can be a fairly large bottle with water filled with ice cubes ( good for temperatures around 0C ), or a tank placed in a refrigerator or special cooler for other controlled temperatures. Water from the cooling holder can be returned to the reservoir. Pipes from the pump and cooling liquid reservoir are connected to the fittings on the side of the plate holder. Inner diameter of the pibe should be 1/8" ( 3mm ). Direction of the liquid flow can be either way.

Cooling Plate Holder Connection Diagram

Cooling plate holder for Xact and THOMAS microarrayer microplate installed